OCX/70-7

Category: CE mark

Description and datas

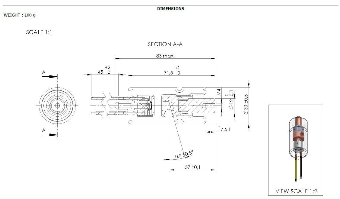
kV: 70Large Focal Spot: 0.7Target Angle: 16
Anode heat Capacity: 7000Nominal Input Power small: 1000Max Dissipation Rate: 110
Max Diameter: 30Max Length: 83Filament Current: 2.7
Filament Voltage: 3.0
kV: 70Large Focal Spot: 0.7
Target Angle: 16Anode heat Capacity: 7000
Nominal Input Power small: 1000Max Dissipation Rate: 110
Max Diameter: 30Max Length: 83
Filament Current: 2.7Filament Voltage: 3.0
kV: 70
Large Focal Spot: 0.7
Target Angle: 16
Anode heat Capacity: 7000
Nominal Input Power small: 1000
Max Dissipation Rate: 110
Max Diameter: 30
Max Length: 83
Filament Current: 2.7
Filament Voltage: 3.0

Dimensions and connections

Maximum DC load diagrams

Maximum DC load diagrams

CEI
Privacy Overview

This website uses cookies so that we can provide you with the best user experience possible. Cookie information is stored in your browser and performs functions such as recognising you when you return to our website and helping our team to understand which sections of the website you find most interesting and useful.